Estimating Gallons Pumped from Sump Cycles
In my previous post Estimating Pump Cycles from Energy Consumption, I derive how often my sump pump was firing.
Next I wanted to estimate how much rainwater was making its way to my sump pump and getting moved out.
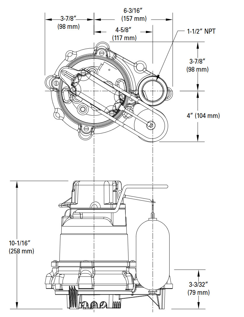
To estimate gallons pumped, I started by looking at the schematic for my sump basin.

What I figured I needed to do was determine the volume of the water in the sump basin immediately before the pump turned on and right after it stopped. The difference between the two being the volume of water expelled.
After some Googling (trying to figure out the correct terms), I found the formula for a truncated cone.
Volume = (1/3) * π * h * (r² + r * R + R²)
Where R is the radius of the base of the original cone (bottom surface);

This meant I needed the following values:
-
Height (or depth) of the water when the pump starts and stops (h)
-
Radius of the basin at the water’s surface at start and stop (R)
-
Radius of the basin bottom (r)
As observed by my smart plug, the sump fires on a pretty regularly cadence after a heavy rain. For example, if the app shows it fire twice approximately 30 minutes apart, rest assured it will fire again in about 30 minutes; especially if it’s still raining. This saved me from having to sit in my unfinished basement and stare at a sump pit waiting for something to happen.To get (h), I simply put a ruler in the basin and observed the water level before and after a sump cycle.
Using the schematic, I knew the basin’s top and bottom radii (that’s a fun word) were 9 inches was 7.875 inches respectively, having a difference of 1.125 inches.
As such, when the water was 7.25 inches deep, this represented 34% of the basin’s 21.5 inch total internal height. Therefore, I calculated the radius (R) at the water’s surface as the basin’s bottom radius plus 34% of the difference between top and bottom radius.
7.875 + (.34 * 1.125) = 8.25 inch radius (R) at cycle start
Considering the water in the basin was 4 inches deep after a sump cycle, this was 19% of the basin’s 21.5 inch total internal height.
7.875 + (.19 * 1.125) = 8.08 inch radius (R) at cycle end
I plugged these values in the above-mentioned formula for the volume of a truncated cone to get:
(1/3) * π * 7.25 * (7.875² + 7.875 * 8.25 + 8.25²) = 1,482 in3 at pump start
(1/3) * π * 4 * (7.875² + 7.875 * 8.08 + 8.08²) = 801 in3 at pump stop
Considering there are 231 cubic inches in a gallon of water, the sump basin held 6.4 gallons before expulsion and 3.5 gallons after a pump cycle.
At first I calculated a difference of 2.9 gallons of water pumped per cycle. But then I considered the pump itself sits in the water being pumped. Therefore, its volume must also be removed before converting into gallons.
While the precise way to measure the volume of an irregular object is to fully submerge it and measure water displacement, removing my pump’s plumbing connections was not reasonable. Additionally it’s basin is perforated, surrounded by gravel, and recessed into a cement floor, so measuring displaced water in-place was also not feasible.
Therefore, I estimated the pump’s total volume as the sum of 3 cylinders:
-
The sump housing
-
The exit pipe
-
The float

Luckily, this calculation was a bit easier and required no Googling.
πr² * h = Volume
For the sump housing, the spec provided:
π * 3.875² * 7.25 = 341.83 in3
The astute reader will note the pump is slightly more than 10 inches tall, however only the first 7.5 inches are submerged.
The spec and the previous measurement for water depth immediately before the pump turns on provided the exit pipe:
π * .75² * 7.25 = 12.8 in3
Finally, the float I measured by hand and comes in around:
π * 1² * 5 = 15.7 in3
Adding these values together, the pump itself has a volume of about 370 cubic inches; or 1.6 gallons of water.
As such, I can now estimate the sump is clearing 1.3 gallons of water per cycle.

Thank you for reading!
Questions or feedback about this post?
Connect on LinkedIn